
E-mail: fanweilong@bjsyhx.com.cn

2022-03-12
前言
該病毒是一種微生物。它隨時都在發生著變異,只是變異程度不同而已。疫情以來,從阿爾法到伽馬,從貝塔到德爾塔,從拉姆達到奧密克戎,已經出現多次明顯變異。特別是2021年11月9日,在南非發現的奧密克戎變異株,其傳染性、適應性比德爾塔可能更強。2021年11月29日,世衛組織稱,奧密克戎變異毒株在全球總體風險評估為“非常高”,可能在世界廣泛傳播。同時,世衛組織,“德爾塔+奧密克戎”,可能會出現“海嘯”般的傳播。

核酸檢測
「IVD」全名叫「invitrodiagnosticproducts」,中文譯為體外診斷產品,IVD 包括醫療器械、體外診斷試劑以及藥品,是指在人體之外通過對人體的血液等組織及分泌物進行檢測獲取臨床診斷信息的產品和服務。我國醫院里俗稱的「檢驗檢查」中的「檢驗」包括了 IVD 的大多數細分種類——如①生化診斷(clinicalchem)、②免疫診斷(immunoassay)、③分子診斷(MDx)、元素診斷、微生物診斷、尿液診斷、凝血類診斷、組織診斷、血液學和流式細胞診斷等。通俗來說就是把你身上的標本(比如血液、唾液)取出來診斷,抽血、核酸檢測就是其中典型。

凍干技術應用
2020年以來,國內的xinguan核酸檢測試劑大量出口,傳統核酸診斷試劑盒因含有生物活性成分(DNA酶、反轉錄酶等),一般需要在-20℃左右的冷鏈環境中儲運,以確保試劑有效成分的生物活性。冷鏈運輸不僅成本高,而且環境溫度的變化造成試劑反復凍融會直接影響檢測試劑的性能和保質期。如何既能降低成本還能在長途運輸中保證試劑的穩定性成為了亟待解決的問題。經過研究發現,將液體試劑凍干成固體試劑不僅成本低、保質期會更長,其性能和液體試劑一樣。
真空冷凍干燥,簡稱凍干,是指在真空條件下,固態物料不經過液相直接升華為氣態進行干燥的過程。在凍干的過程中,溶劑直接由固態升華為氣態,因此不會破壞溶質原有的化學結構和形態。具有生物活性的材料在重新溶解后,仍能恢復凍干前的構象和生物學功能。因此,凍干是一種對被干燥物質性質影響最小干燥方法。


凍干技術優勢及其設備構成
冷凍干燥技術有下列優點:
⑴冷凍干燥在低溫下進行,因此對于許多熱敏性的物質特別適用。如蛋白質、微生物之類不會發生變性或失去生物活力。因此在醫藥上得到廣泛的應用。
⑵在低溫下干燥時,物質中的一些揮發性成分損失很小,適合一些化學產品、藥品和食品干燥。
⑶在冷凍干燥過程中,微生物的生長和酶的作用無法進行,因此能保持原來的性狀。
⑷由于在凍結的狀態下進行干燥,因此體積幾乎不變,保持了原來的結構,不會發生濃縮現象。
⑸干燥后的物質疏松多孔,呈海綿狀,加水后溶解迅速而*,幾乎立即恢復原來的性狀。
⑹由于干燥在真空下進行,氧氣極少,因此一些易氧化的物質得到了保護。
⑺干燥能排除95-99%以上的水分,使干燥后產品能長期保存而不致變質。

1、箱體是一個能夠制冷到-55℃左右,能夠加熱到+80℃左右的高低溫箱,也是一個能抽成真空的密閉容器。
2、冷凝器同樣是一個真空密閉容器,在它的內部有一個較大表面積的金屬吸附面,吸附面的溫度能降到-40℃~-70℃以下,并且能維持這個低溫范圍。
3、凍干箱、冷凝器、真空管道、閥門、真空泵等構成凍干機的真空系統。
4、制冷系統由制冷機與凍干箱、冷凝器內部的管道等組成。
5、加熱系統對于不同的凍干機有不同的加熱方式。有的是利用直接電加熱法;有的則利用中間介質來進行加熱。
6、控制系統由各種控制開關,指示調節儀表及一些自動裝置等組成,它可以較為簡單,也可以很復雜。一般自動化程度較高的凍干機則控制系統較為復雜。控制系統的功用是對凍干機進行手動或自動控制,操縱機器正常運轉,以使凍干機生產出合乎要求的產品來。

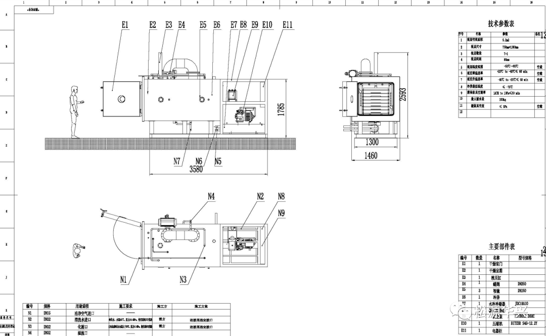
GZLY-5冷凍干燥機結構布置
 國內某IVD企業GZLY-5凍干機客戶完工現場
國內某IVD企業GZLY-5凍干機客戶完工現場

抗原檢測
國家衛健委掛出了《關于印發新冠病毒抗原檢測應用方案(試行)的通知》。文中提到,為進一步優化病毒檢測策略,服務疫情防控需要,經研究,國務院應對病毒肺炎疫情聯防聯控機制綜合組決定在核酸檢測基礎上,增加抗原檢測作為補充。
上海新冠肺炎臨床救治專家組組長、復旦大學附屬華山醫院感染科主任張文宏在接受媒體采訪時指出,抗原就像是病毒外面穿的“衣服”,核酸就是病毒里面的基因。他表示,就像在家用驗孕棒檢測是否懷孕一樣,抗原檢測能居家進行檢測,而且速度很快,在條件比較差的醫院也能檢測,費用也比較低。
抗原檢測步驟檢測冠狀病毒     
1.將標本處理液滴至標本處理管中;
2. 將取樣拭子攪拌并擠壓管壁,使標本充分洗脫至處理液中;
3. 取出檢測卡,向圓孔中加樣;
4. 等待15分鐘,判讀結果。
《新冠病毒抗原檢測應用方案(試行)》明確指出核酸檢測是病毒感染的確診依據。在進行核酸檢測確認的過程中,如核酸檢測陽性,不論抗原檢測結果是陽性還是陰性,均按照病毒感染者或肺炎確診患者采取相應措施;如核酸檢測陰性但抗原檢測陽性,則視同毒感染者采取集中隔離等措施,密切觀察,連續進行核酸檢測。

結語
非常時期,相親相愛的我們無論身處何地依然同心抗疫。你安好,我無恙,相互加油,減少外出,共同平平安安!凜冽的寒冬總會過去,春暖花開的希望正在蔓延。希望疫情早日得到控制,病毒早日消散,中國加油!

公司介紹
 北京松源華興科技發展有限公司(Beijing Songyuan Huaxing Technology Develop Co., Ltd.)創立于2000年,專注于真空冷凍干燥技術產品的研發、生產、銷售,以“真空冷凍干燥機”為核心產品,形成了針對科研實驗、醫用、食品行業,不同規模、不同應用的三大系列產品和針對性解決方案,是國內頗具影響力的真空冷凍干燥設備和針對性解決方案的供應商。
       北京松源華興科技發展有限公司(Beijing Songyuan Huaxing Technology Develop Co., Ltd.)創立于2000年,專注于真空冷凍干燥技術產品的研發、生產、銷售,以“真空冷凍干燥機”為核心產品,形成了針對科研實驗、醫用、食品行業,不同規模、不同應用的三大系列產品和針對性解決方案,是國內頗具影響力的真空冷凍干燥設備和針對性解決方案的供應商。

北京松源華興科技發展有限公司 版權所有
掃一掃
歡迎關注我們網站平臺
